Finalmente le licenze (gratis) per Mini DisplayPort
01/12/2008 21:00 CET
Qui comincia la diffusione della piccola porta multimediale che Apple ha voluto installare sui nuovi prodotti, ancora prima di avere un parco accessori sul mercato.
Qui comincia la diffusione della piccola porta multimediale che Apple ha voluto installare sui nuovi prodotti, ancora prima di avere un parco accessori sul mercato.
Il forum di MacUser.de segnala da ieri l'esistenza di una pagina sul sito di Apple dove è possibile reperire le informazioni per utilizzare in licenza la porta Mini DisplayPort.
Sostanzialmente significa che i produttori di terze parti possono ora costruire prodotti con il nuovo connettore multimediale scelto da Apple per i rinnovati laptop e per il LED Cinema Display da 24".
La tecnologia di Apple, che ci avevano detto essere uno standard approvato VESA DisplayPort e già accessibile a chiunque, è licenziabile solo da sabato e gli interessati non dovranno far altro che scrivere all'indirizzo sw.license@apple.com per contattare l'azienda di Cupertino.
Tra qualche mese (sarà difficile vederli prima) fioccheranno sul mercato degli accessori e dei display nuovi prodotti dotati di Mini DisplayPort oppure "semplici" convertitori per porte digitali o analogiche. Apple ha una lunga tradizione di formati che mai si sono diffusi sul mercato, per esempio i mini-DVI o mini-VGA per parlare solo di quelli video adottati negli ultimi anni.
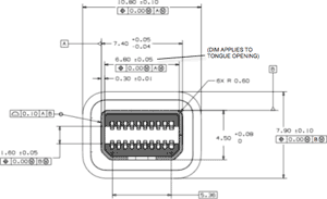
Lo notavamo di recentemente, al momento sul mercato non esiste un solo prodotto diverso da quelli di Apple con porta Mini DisplayPort, solo alcuni con DisplayPort, decisamente di dimensioni diverse (più grandi).
Il futuro del Mini DisplayPort dovrebbe essere roseo visto che ha le stesse funzioni (se non migliori, a partire dalle dimensioni) dell'HDMI ma con licenza gratuita.
